Som ett klassiskt mästerverk av Yueqing Tongda inom området mikrobrytare har Weipeng Smart Door Lock och Robot Vacuum Triple-Reset Micro Switch kärnfördelarna med "miniatyrstruktur, ultralång livslängd och exakt triggning" och är speciellt designad för interaktionsenheter mellan människa och dator som möss och tangentbord, såväl som små elektroniska kontrollapplikationer.
Micro Switch Introduktion
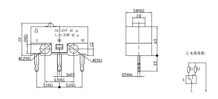
Som ett klassiskt mästerverk av Yueqing Tongda inom området för miniatyrswitchar, har HK-10-musomkopplaren kärnfördelarna med "miniatyrstruktur, ultralång livslängd och exakt aktivering", speciellt designad för interaktionsenheter mellan människa och dator som möss och tangentbord, såväl som små elektroniska kontrollapplikationer. Genom att integrera över trettio års expertis inom switchtillverkning och patenterad teknologi, har denna produkt blivit en viktig kontrollkomponent inom konsumentelektronik, industriell kontroll och smarta enheter, tack vare dess svarshastighet på millisekundnivå, hållbarhet på tiotals miljoner cykler och breda kompatibilitet. Det har länge tillhandahållit stödtjänster till välkända elektroniska varumärken både nationellt och internationellt.
Den är kompatibel med smarta bärbara enheter, kontrollpaneler för smarta hem, bärbara elektroniska enheter och mer. Dess kompakta design och låga strömförbrukning möter perfekt behoven hos små enheter och ger exakt kontrollstöd för produkter som smartklockor och smarta dörrlås.
Används för industriella pekpaneler, små kontrollknappar, mikrorörelsekontroll i automationsutrustning etc. Dess IP40-skyddsklassning kan motstå verkstadsdamm, och dess breda temperaturprestanda anpassar sig till temperaturvariationer i industriella miljöer, vilket säkerställer stabil drift i scenarier som löpande bandstyrning och utrustningsfelsökning.
Mikrobrytarparameter (specifikation)
| PUNKT | Huvudsakliga tekniska parametrar |
| 1 | Elektrisk kapacitet: 1A/3A 250VAC |
| 2 | Elektrisk livslängd: Min.10000 cykler |
| 3 | Kontaktmotstånd:<50mΩ |
| 4 | Driftskraft: 70±20gf |
| 5 | Fritt läge: 7,3±0,2 mm |
| 6 | Arbetsposition: 7,0±0,2 mm |
| 7 | Omgivningstemperatur: T85° |
| 8 | Tål spänning: Mellan terminal och terminal 500V/5S/5mA; |
| Mellan plintar och hölje 1500/5S/5mA | |
| 9 | Isolationsresistans:>100MΩ Testspänning 500VDC |
| 10 | Proof Tracking Index PTI:175V |
Micro Switch detaljer
