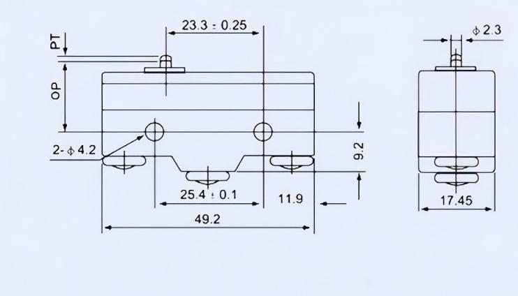
Självhöjande tryckgräns Mikroomkopplare är en automatisk kontrollkomponent som utlöses av mekanisk rörelse. Dess kärnfunktion är att upptäcka förskjutningen eller stroke för ett objekt för att uppnå öppning och stängning av kretsar, start och stopp för utrustning eller begränsa skyddet. Det är en oumbärlig "Safety Sentinel" och "Action Commander" i industriell automatisering och elektromekanisk utrustning.
Växla Introduktionfett
Resekopplingen (även känd som en begränsningsomkopplare) är en automatisk kontrollkomponent som utlöses av mekanisk rörelse. Dess kärnfunktion är att upptäcka förskjutningen eller stroke för ett objekt för att uppnå öppning och stängning av kretsar, start och stopp för utrustning eller begränsa skyddet. Det är en oumbärlig "Safety Sentinel" och "Action Commander" i industriell automatisering och elektromekanisk utrustning.
Växla Tillämpningtion
Skärplattformens lyftmekanism för Combine Harvester är utrustad med en reseomkopplare som sätter "minsta arbetshöjd" och "transporthöjd" på skärplattformen. Under skörden, om skärplattformen sjunker för låg (nära marken, eventuellt skrapning av jorden), utlöses omkopplaren för att styra det hydrauliska systemet för att höja skärplattformen; Under transporten, när skärplattformen stiger till högsta läge, utlöses omkopplaren för att låsa skärplattformens höjd och förhindra skakning under körning. I frölådan för fröaren upptäcker resebrytaren frönivån. När frönna är på väg att ta slut, utlöser omkopplaren en larmenhet för att påminna operatören att lägga till frön och förhindra missad sådd.
Växla Information
