Plug -kolumntyp Knapp Mikroomkopplare i bildelar har ett litet kontaktintervall och en snabb åtgärdsmekanism, och kontaktmekanismen för att byta åtgärd med den angivna stroke och kraft täcks av skalet, och det finns en växellåda på utsidan, och formen är liten.
Produkt Introduktionfett
Push-to-Push-mikroomkopplare är en vanlig elektronisk komponent som används för att styra på och utanför en krets. Den består vanligtvis av en knapp och en switch som ändrar tillstånd när knappen trycks in.
Tryckknappomkopplare kan använda en blinkande effekt, när knappen trycks in kommer knappen att blinka för att locka användarens uppmärksamhet.
Produkt Tillämpningspecifikation och specifikation
Plugkolumntyp Knapp Mikroomkopplare kan användas för att styra ljuset, när knappen trycks in, kommer ljuset att slå på eller av. Det kan också användas för att styra omkopplaren av elektrisk utrustning, luftkonditionering, etc. Inom industriområdet används tryckknappsbrytare i stor utsträckning för att styra start och stopp för mekanisk utrustning. Om det är hushålls-, industri-, fordons- eller elektronisk utrustning är den oskiljbar från denna enkla kontrollkomponent.
| Byt tekniska egenskaper: | |||
| PUNKT | Teknisk parameter | Värde | |
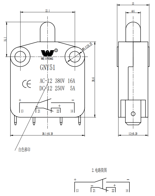
| 1 | Elektrisk betyg | 16A 250VAC | |
| 2 | Kontaktmotstånd | ≤50mΩ initialvärde | |
| 3 | Isoleringsmotstånd | ≥100 mΩ (500VDC) | |
| 4 |
Dielektrisk Spänning |
Mellan icke-anslutna terminaler |
500V/0,5 mA/60S |
| Mellan terminaler och metallramen |
1500V/0,5 mA/60S | ||
| 5 | Elektriskt liv | ≥50000 cykler | |
| 6 | Mekaniskt liv | ≥100000 cykler | |
| 7 | Driftstemperatur | -25 ~ 125 ℃ | |
| 8 | Driftsfrekvens | Elektriska: 15 cykler Mekanisk: 60 cykler |
|
| 9 | Vibrationsbevis | Vibrationsfrekvens: 10 ~ 55Hz; Amplitud: 1,5 mm; Tre riktningar: 1H |
|
| 10 | Lödförmåga: Mer än 80% av nedsänkt del ska täckas med löd |
Lödtemperatur: 235 ± 5 ℃ Nedsänkt tid: 2 ~ 3s |
|
| 11 | Lödvärmemotstånd | Dopplödning: 260 ± 5 ℃ 5 ± 1s Manuell lödning: 300 ± 5 ℃ 2 ~ 3s |
|
| 12 | Säkerhetsgodkännanden | UL 、 CSA 、 TUV 、 CQC 、 CE | |
| 13 | Testförhållanden | Omgivningstemperatur: 20 ± 5 ℃ Relativ fuktighet: 65 ± 5%RH Lufttryck: 86 ~ 106 kpa |
|
Produkt Information


