Som en representativ produkt från Yueqing Tongda Cable Power Plant som förkroppsligar integrationen av kärnstandardisering och anpassning, är omkopplaren för gasvattenvärmare och gasspis mikrobrytare designad med kärnprinciperna "stabilitet, tillförlitlighet och scenkompatibilitet." Den innehåller 35 år av företagets expertis inom switchtillverkning, vilket uppnår flera optimeringar av elektrisk prestanda, skyddsnivåer och användarupplevelse. Switchen är allmänt användbar för scenarier som energidistribution för smart hem, industriell hjälputrustning och små medicinska instrument, vilket gör den till en föredragen kretskontrollkomponent som balanserar universalitet med anpassningspotential.
MikrobrytareIntroduktion
HK-04G-L-omkopplaren fokuserar på praktiska krav på nyckelparametrar och uppfyller grundläggande styrstandarder för olika scenarier. Kontakterna är gjorda av silver-tennlegering och bearbetade med precisionssvetsning, med ett initialt kontaktmotstånd på ≤8mΩ. Den kan på ett tillförlitligt sätt bära 10A-16A växelström (märkspänning 250V AC), lämplig för strömbehovet för de flesta hushålls- och små industriella enheter, vilket effektivt förhindrar problem med kontaktöverhettning eller erosion orsakad av strömöverbelastning.
Avtryckaren och livslängdsprestandan är lika tillförlitlig: den använder en triggerstruktur av vipptyp, med en pressrörelse på 1,3-1,6 mm och en arbetskraft som kontrolleras inom 1,5-3N. Aktiveringsfeedbacken är tydlig och smidig, vilket gör att daglig användning är osannolikt att uppleva "icke-svarande tryckning". Den mekaniska livslängden når 80 000 presscykler och den elektriska livslängden överstiger 50 000 cykler. I högfrekventa enheter som kylskåp, små fläktar och kommersiella skrivare kan den uppnå stabil drift i 3-5 år.
Miljöanpassningsförmåga uppfyller konventionella scenariokrav: Produkten fungerar inom ett temperaturområde på -30°C till 80°C, kan hantera låga temperaturer under norra vintrar och värmeavledningsförhållanden på sommaren; isolationsresistansen är ≥50MΩ (500VDC), och polspänningsmotståndet når 800V AC, vilket uppfyller elektriska säkerhetsstandarder för hushålls- och kommersiell användning. Dessutom är höljet tillverkat av flamskyddat ABS-material (kompatibelt med UL94 V-1), vilket minskar säkerhetsriskerna orsakade av kortslutningar.
MikrobrytareAnsökan
I scenarier för smarta hem och hushåll kan HK-04G-L, med sin kompakta storlek (cirka 20×15×10 mm, L×B×H), enkelt integreras i smarta distributionslådor, väggmonterade uttag och kontrollpaneler för små apparater. Det har för närvarande blivit en komponent som används av flera inhemska smarta hemmärken för funktioner som belysningskontroll och strömbrytning av apparaten. Ett märke rapporterade att felfrekvensen för produkter utrustade med den är 40 % lägre än traditionella switchar.
I småskaliga industriella och kommersiella scenarier är produkten lämplig för effektstyrning av små transportörer, kommersiella kaffemaskiner, kontorsskrivare och andra enheter. Genom att optimera terminalanslutningsstrukturen stödjer den snabb kabeldragningsinstallation, vilket förbättrar enhetens monteringseffektivitet. Tidigare uppfyllde en anpassad version för en tillverkare av kommersiella apparater, genom att justera terminalavståndet, de kompakta interna kabeldragningskraven för deras utrustning, vilket förbättrade installationseffektiviteten med 25 %.
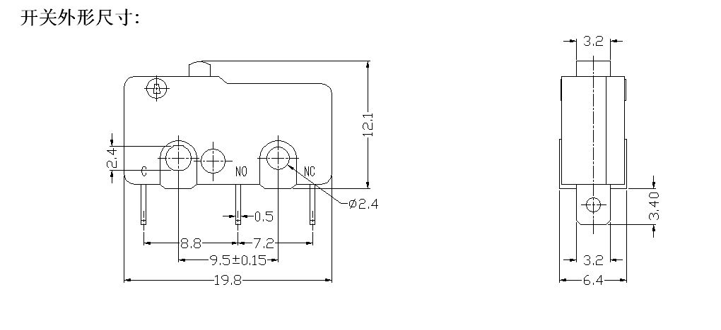
Mikrobrytare Specifikation
| Switch tekniska egenskaper: | |||
| PUNKT | Teknisk parameter | Värde | |
| 1 | Elektrisk klassificering | 5(2)A 125V/250VAC 10(3)125V/250VAC | |
| 2 | Kontakta motståndet | ≤50mΩ Initialt värde | |
| 3 | Isolationsmotstånd | ≥100MΩ (500VDC) | |
| 4 |
Dielektrisk Spänning |
Mellan ej anslutna terminaler |
500V/0,5mA/60S |
| Mellan terminaler och metallramen |
1500V/0,5mA/60S | ||
| 5 | Elektriskt liv | ≥10 000 cykler | |
| 6 | Mekaniskt liv | ≥100 000 cykler | |
| 7 | Driftstemperatur | -25~125℃ | |
| 8 | Driftsfrekvens | Elektrisk: 15 cykler Mekanisk: 60 cykler |
|
| 9 | Vibrationssäker | Vibrationsfrekvens:10~55HZ; Amplitud: 1,5 mm; Tre riktningar: 1H |
|
| 10 | Lödförmåga: Mer än 80 % av nedsänkt del skall täckas med lod |
Lödtemperatur: 235±5℃ Nedsänkningstid: 2~3S |
|
| 11 | Löd värmebeständighet | Dopplödning: 260±5℃ 5±1S Manuell lödning: 300±5℃ 2~3S |
|
| 12 | Säkerhetsgodkännanden | UL, CSA, VDE, ENEC, CE | |
| 13 | Testvillkor | Omgivningstemperatur: 20±5 ℃ Relativ luftfuktighet:65±5%RH Lufttryck: 86~106KPa |
|
Tongda Wire Electric Micro USB Inline Strömbrytare Detaljer

